

- Home >
- Buying a Pool & Spa >
- Equipment > Fencing
Pool Fencing Rules
Australian Standard AS1926.1 - Safety barriers for swimming pools
The current Australian Standard AS1926.1-2012 (the standard) is in place as the standard in NSW, Victoria, South Australia, Tasmania, Western Australia and the ACT. In these jurisdictions, the standard is called up by the Building Code of Australia (BCA) and in many cases, there are local variations effected under legislation. Northern Territory operates under AS1926.1 – 1993.
Queensland has its own standard in place which is a modified version of AS 1926-2007 combined with a state standard QDC MP 3.4.
All jurisdictions other than Queensland have in place multiple Standards in the sense that as new standards have been adopted, existing pools conforming to the then current Standard have been allowed to maintain conformity with that standard. Pool owners may continue to comply with the Standard that their pool was constructed under the provision that there have not been any substantial changes to the barrier. If substantial changes have been made, then the pool owner is required to comply with the most up to date Standard.
Exemptions from the standard
There are two categories of exemptions to the national Standard:
Those that are affected through the BCA as a variation to the standard as it applies in a particular jurisdiction.
Legislative exemptions to the application of the legislation.
In NSW, there are two cases of the first category of variation:
NSW spas are provided with an alternative to pool fencing and may have a lockable lid that is capable of being operated by one person and must be locked when the spa is not in use.
NSW does not permit an out of ground wall of a pool to be used as a pool barrier.
These NSW variations do not apply in other jurisdictions where fencing is required for spa pools, and out of ground wall of a pool can be used as a barrier if they meet the requirements of the Standard.
There are also exemptions applying to particular types of properties with pools in a number of jurisdictions. These apply in NSW (historic exemptions for small, large and waterfront properties), Tasmania (pools built before 1 November 1994), the ACT (pools built before 1970) and the Northern Territory (pools built prior to 1 January 2003 and pools on small and large properties).
Local councils have the power in NSW, Queensland and Western Australia to approve alternate barriers that can be demonstrated to provide the same safety as an AS1926.1 barrier.
Definition of a swimming pool
The Standard defines a swimming pool as any structure containing water to a depth greater than 300mm and used primarily for swimming, wading, paddling or the like, including a bathing or wading pool, or spa pool.
Pool fence - height
Australian Standard AS1926.1 - 2012 stipulates that a pool fence shall be not less than 1.2m high all the way around.
Note: If the pool barrier is not 1.2m high all the way around or only in some sections then the homeowner should seek immediate advice from a Licensed Builder, Pool Technician or Fencing Contractor.
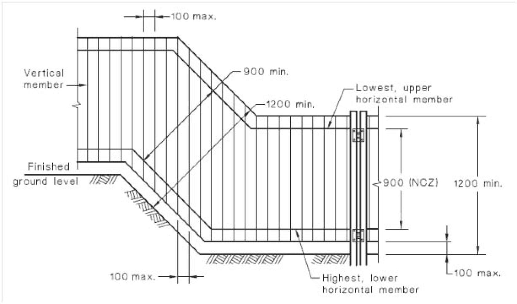
Pool fence - Non-Climbable Zone
Australian Standard AS1926.1- 2012 stipulates that a fence must have a Non-Climbable Zone (NCZ) of 900mm on the outside of the pool fence all the way around.
Note: Trim trees or shrubs near the pool fence and other objects such as BBQ, pot plants, toys, ladders and chairs should not encroach within the NCZ area.
The following NCZs shall be present on all barriers with a height less than 1800mm:
NCZ 1 is a 900mm vertical plane on the outside face of a barrier. This NCZ may be located anywhere within the perpendicular height of a barrier or, where present, anywhere between horizontal components or handholds and footholds on a barrier.
NCZ 2 is a quadrant on the outside of a barrier created by a 900mm radius down from the top of NCZ 1 above.
NCZ 3 is a quadrant on the outside of a barrier created by a 900mm radius up from the top of the barrier. When the top of NCZ 1 is below the top of a barrier then NCZ 3 shall extend vertically down to the top of NCZ 1 (see image 1). NCZ 3 is applicable only to the space created by the quadrant and does not apply to any item or component on, or that is part of, the barrier.
NCZ 4 is required on all barriers with vertical openings 10–100mm in width and is a 900mm high by 300mm deep rectangular space on the inside of the barrier and shall align with NCZ 1.
Note: NCZ 2 is always immediately adjacent to NCZ 1 on all barriers.


Boundary fence used as part of pool fence
Australian Standard AS1926.1 - 2012 stipulates that when a Boundary Fence (min 1.8m) is used as part of the chid-resistant barrier then the Non-Climbable Zone (NCZ) of 900mm will be measured from the inside (pool side) of the fence.
Note:
Climbable objects or surfaces should not encroach on the 900mm non climbable zone on the inside of Boundary Fences (1.8m).
If a Horizontal Surface is located within the NCZ then a fillet is an acceptable solution which would rectify the problem.

Pool fence - vertical gaps
Australian Standard AS1926.1 - 2012 stipulates that gaps between vertical members of the fence shall not be greater than 100m.
Note: If the Vertical Gaps in the fence are greater than 100mm all the way around or only in some sections then the homeowner should seek immediate advice from a Licensed Builder, Pool Technician or Fencing Contractor.
Pool Fence - gap at bottom
Australian Standard AS1926.1 - 2012 stipulates that the gap at the bottom of the fence must be a maximum of 100mm.
If the gap at the bottom of the fence is greater than 100mm all the way around or only in some sections then the homeowner should seek immediate advice from a Licensed Builder, Pool Technician or Fencing Contractor.
Pool Fence - Horizontal Members
Australian Standard AS1926.1 - 2012 stipulates that Horizontal Members shall not be within the 900mm Non-Climbable Zone (NCZ) on the outside of the pool fence.
If a pool fence does have Horizontal Members on the pool fence, then they must be Non Climbable.

Pool gates - self closing and latching devices
Australian Standard AS1926.1 - 2012 stipulates that gates shall be hung so that they ONLY swing outwards i.e. away from the pool area. The gate must be able to swing freely through its arc of operation.
All gates must be fitted with a self-closing device that will return the gate to a closed position from any position without the use of manual force.
All gates must be fitted with a latching device that will automatically operate on the closing of the gate and prevent the gate from being reopened without being manually released.
Note: A pool gate that is not self-closing or does not have a latching device should be permanently secured until such time as the device/s can be installed. Self-closing and latching devices can be purchased from most pool shops and hardware shops and are relatively easy to install.
Pool fence - latching device location
Australian Standard AS1926.1 - 2012 stipulates latching device locations.
Where a latching device is located less than 1500mm then locations are determined as per the image below.
Note: A pool gate which has its latching device at the incorrect location can easily be relocated to the correct location with the use of some very basic tools. If in doubt, consumers are encouraged to seek the advice and/or services of a Licensed Builder, Pool Technician or Fencing Contractor.
Australian Standard Extracts: Extracts are from the relevant Standard, or based on it, and acknowledges permission to reprint has been given by SAI Global Ltd “Reproduced with permission from SAI Global Ltd under Licence 1206-c028” Referenced Australian Standards may be purchased directly from SAI Global.
